只需一步,快速开始
手机号码,快捷登录
2021-1-21 09:45| 发布者: 维修迷| 查看: 328| 评论: 0
一、STK4352内部等效电路
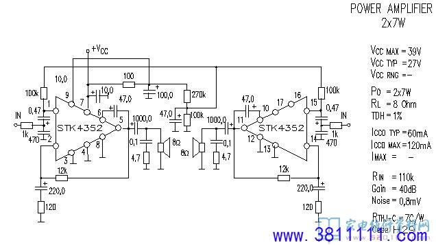
二、STK4352典型应用电路
三、STK4352电气参数
评论
|门户地图|手机版|小黑屋|家电维修论坛 ( 蜀ICP备14030498号 )
GMT+8, 2026-4-7 07:07
Powered by Discuz! X3.4
Copyright © 2001-2021, Tencent Cloud.