三八资料网

 找回密码
 注册

QQ登录

只需一步,快速开始

手机号码,快捷登录

三八资料网 门户首页 电工论坛

电工论坛

白炽灯标有220v40w是什么意思
白炽灯标有220v40w是什么意思
中学阶段经常会遇到这些参数,在一些电器上标注多少多少V多少多少W,让你计算电阻之类的,凡是在电器上标注多少多少V一般都是指这个电器的额定电压,所谓额定电压就是能够长时间工作的电压,如果给的电压太高或者太 ...
2020-2-13 16:18
巧修电风扇电机故障
巧修电风扇电机故障
巧修电风扇电机故障一台式电风扇,通电后电机不转。首先用万用表检测定时器、按键开关均正常,电机转子转动自如。接下来测量电机线圈阻值,该电机的接线图如图1所示。测得红、黑线之间阻值无穷大,红、蓝线之间阻值为2 ...
2020-1-27 15:32
洗衣机中电源滤波器的特点与常见故障检修
洗衣机中电源滤波器的特点与常见故障检修
洗衣机中电源滤波器的特点与常见故障检修电源滤波器是由电容、电感和电阻组成的滤波电路,能有效滤除电源中特定频率的信号,从而减少电源干扰。洗衣机中的电源干扰分为两类:一是普通干扰,即输入电源线之间的杂讯,这种 ...
2020-1-27 15:27
全自动波轮洗衣机洗涤脱水系统常见故障检修
全自动波轮洗衣机洗涤脱水系统常见故障检修全自动波轮洗衣机的洗涤脱水系统主要由盛水桶、内桶和波轮构成,其常见故障的检修介绍如下:故障现象1:洗涤无力(洗衣机在洗涤、漂洗过程中转动缓慢,甚至无法带动洗涤物旋转, ...
2020-1-27 15:21
小鸭XQB60-815B型全自动洗衣机单元电路原理与检修(下)
4.显示电路(1)发光二极管(LED )显示电路CPU的27脚输出的键扫描脉冲直接加在VT5基极,并经D1⑨、⑧脚反相后加在VT4基极,使得发光二极管LED1~LED4与LED5~LED9的正极分别引入极性相反的信号,CPU的24、35~38脚输出根据运 ...
2020-1-27 15:13
刚买了一组电池,却没有旧的耐用!这到底怎么回事?
刚买了一组电池,却没有旧的耐用!这到底怎么回事?
最近有很多粉丝在后台抱怨,说电动车换了新电池后反而没有老电池耐用,电池作为电动车的动力能源,它的损耗和它本身的质量问题有关,但同时也和车上的电机、控制器等配件密不可分。所以,不要每次电动车跑不远就怀疑 ...
2019-12-26 18:17
触电会对人造成怎样的伤害?如何预防?发现有人触电怎么办?
触电会对人造成怎样的伤害?如何预防?发现有人触电怎么办?
触电会对人造成怎样的伤害?如何预防?发现有人触电怎么办?触电是由于人体直接接触电源受到一定量的电流通过人体致使组织损伤和功能障碍甚至死亡。触电时间越长,人体所受的电损伤越严重自然界的雷击也是一种触电形 ...
2019-12-26 15:24
中央空调安装材料与流程注意事项
中央空调安装材料与流程注意事项
中央空调安装材料与流程注意事项1、安装主要材料介绍:铜管:采购时注意区分R410系统R22系统(R410系统要求内壁是无油铜管/R22系统内壁是有油铜管)。保温材料:根据铜管管径及排水管管径选择保温棉尺寸。分歧管:根 ...
2019-12-24 10:32
星—三角启动的这些注意事项你可能不知道!
星—三角启动的这些注意事项你可能不知道!
交流异步电动机启动电流可达到额定电流的5-8倍,为避免大电流对电机线圈和电网的冲击,对于一些功率较高的电机必须使用降压启动,星—三角启动就是一种最为常见且简单的启动方式。首先我们来了解下星—三角启动。星 ...
2019-12-22 13:27
控制开关和接触器为什么不能控零线呢?
控制开关和接触器为什么不能控零线呢?
首先,纠正一个问题。在我们通常所用的TN系统中,不管单相电路还是三相电路,零线和地线一样在任何情况下都是不允许断开的,也就是说零线不允许经过开关和保险丝。零线在电工学里用PEN表示,中性线用N表示,保护线( ...
2019-12-22 13:22
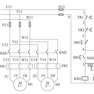
三相异步电动机顺序控制线路
三相异步电动机顺序控制线路
有一些机械设备安装有两个或两个以上的电动机,为了保证设备的正常工作,常常要求这些电动机按顺序进行启动,如只有在电动机A启动后,电动机B才能启动,否则机械设备工作容易出现问题。顺序控制线路就是让多台电动机 ...
2019-12-22 09:31
怎样区分电线的零线、火线和接地线
怎样区分电线的零线、火线和接地线
用来区别火线、零线、地线的方法有很多,常用电源来讲火线(相线)L为红、绿、黄三种颜色、地线PE是黄绿相间、零线N是蓝色或者黑色。 在三相五线制系统中,供电电缆除了从颜色方面来区分外还可以通过感观来判断,相 ...
2019-12-18 16:46
如何给22KW的电机选择热继电器?
如何给22KW的电机选择热继电器?
电机电流计算我国工业一般都采用380V电源,根据题意22千瓦三相电机,那么它的额定电流为:其实我们也可以通过经验来估算三相电机额定电流。一般三相380V电机额定电流可以按照1千瓦2A来计算。那么22KW的电机,额定电 ...
2019-12-18 16:46
一文给你讲清楚串口通讯的起始、数据、停止位都是怎么分配的!
一文给你讲清楚串口通讯的起始、数据、停止位都是怎么分配的!
串口是串行接口(serial port)的简称,也称为串行通信接口或COM接口。串口通信是指采用串行通信协议(serial communication)在一条信号线上将数据一个比特一个比特地逐位进行传输的通信模式。串口按电气标准及协议 ...
2019-12-18 16:46
电脑系统不纯净?不全是镜像的“锅”,可能是PE有问题
电脑系统不纯净?不全是镜像的“锅”,可能是PE有问题
我们在安装系统的时候总会有这样的疑惑:明明使用了官方原版的镜像文件安装系统,安装系统重启电脑以后为什么会有很多第三方软件呢?你肯定在心里骂微软“不老实”,其实微软对于这件事毫不知情,心里默默的喊着“冤 ...
2019-12-17 19:27
  • 三相电源断零线,为什么会接二连三烧坏电器
  • 又是推架子,工人被活活电死,直到化成灰烬,
  • 故障修的快是我的本事,凭什么不给钱?
  • 配电房是如何送电的?送电方式是什么?看完
  • 电工接的电缆头,能找到5个错误以上的,都
  • 防雷接地地焊怎么做?单面焊还是双面焊
  • 电线都燃了为什么空开不跳闸?80%的电工不
  • 配电箱14大禁忌,千万要注意!
  • 惨烈!配电室爆炸,3人瞬间变成渣!
  • 你知道避雷器和浪涌保护器的区别吗?
  • 三菱变频器A540电路图(包含电源,驱动 保
  • 东芝房间空调开机不成功故障(图)
  • 冰箱毛细管长度与压力的知识了解
  • MOS管工作原理及其驱动电路 基础知识
  • 格兰仕SD-G238W微波炉显示正常不加热。
  • 美的MB-FS50J型智能电饭煲工作原理与故障检
  • 一对真力监听音箱左右边的声音差别非常大的
  • 求TCL D32A810电视机开机亮一下就黑屏
  • 九阳电磁炉e7故障维修,同行没修好拿过来的
  • 海尔LE48AL88C88 背光电流技改

QQ|门户地图|手机版|小黑屋|家电维修论坛 ( 蜀ICP备14030498号 )

GMT+8, 2025-10-20 21:39

Powered by Discuz! X3.4

Copyright © 2001-2021, Tencent Cloud.

返回顶部