只需一步,快速开始
手机号码,快捷登录
2021-6-16 08:39| 发布者: 维修迷| 查看: 208| 评论: 0
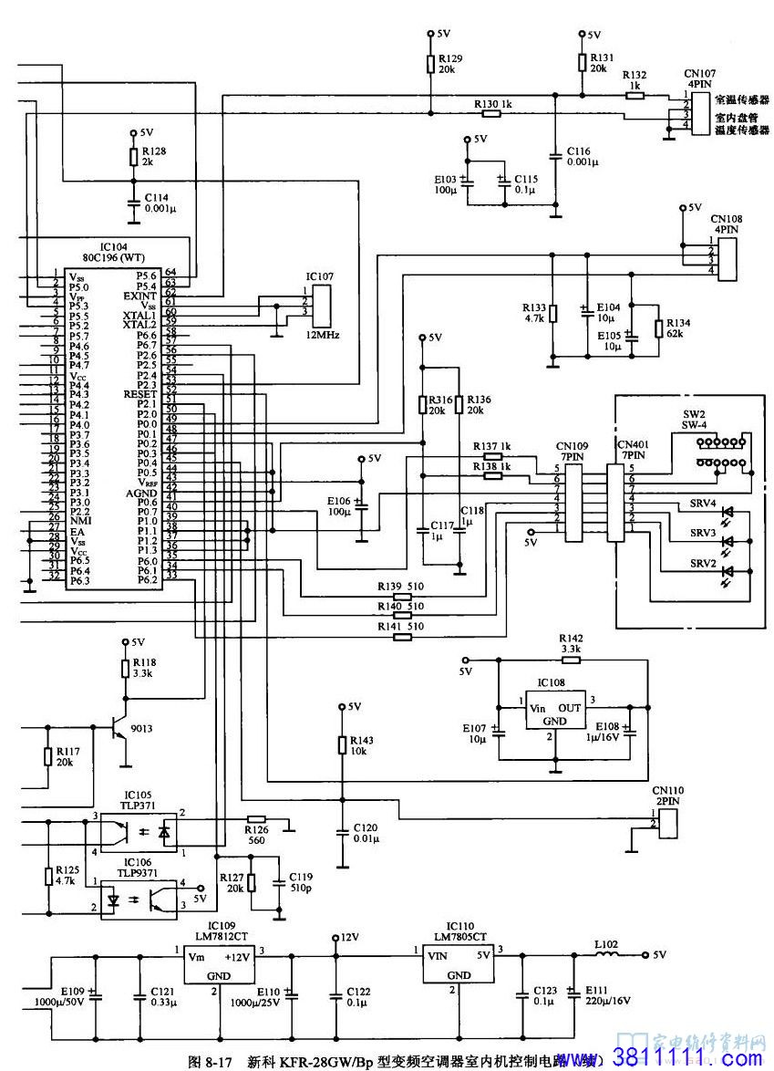
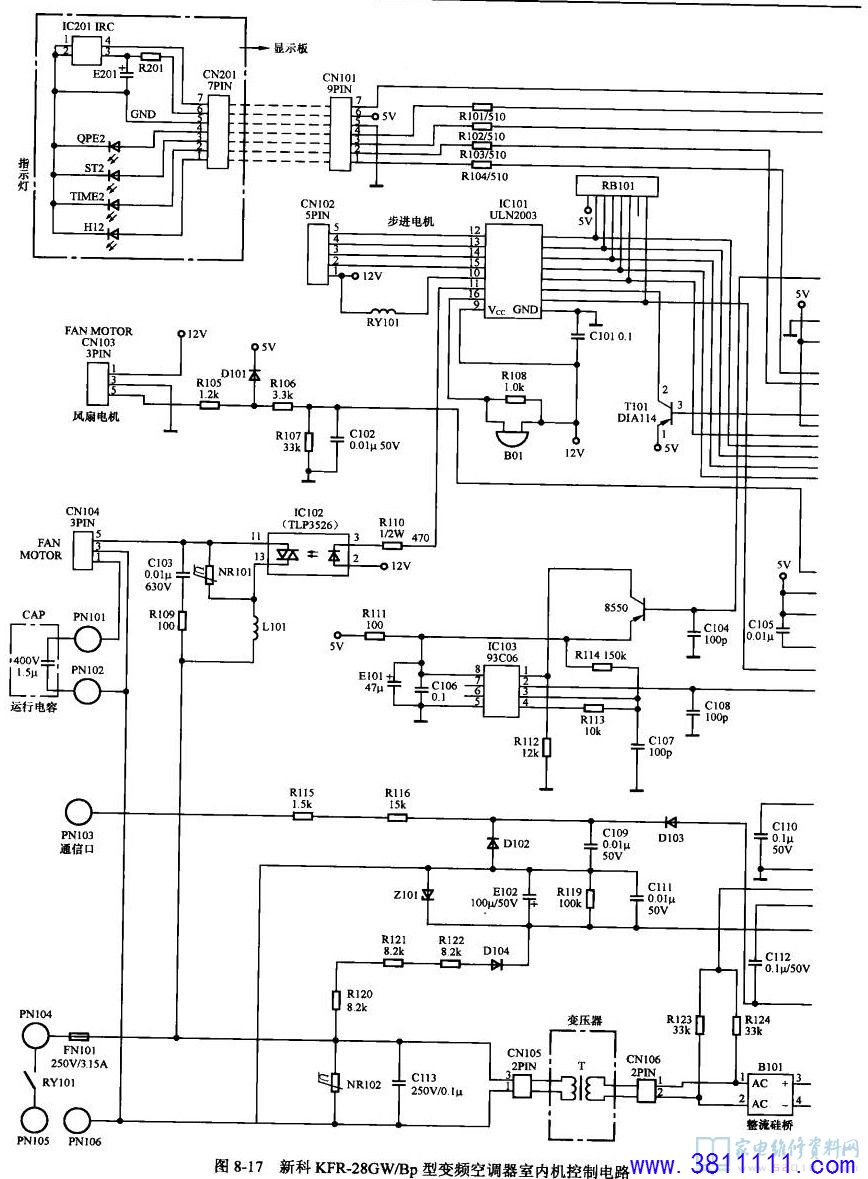
二、新科KFR-28GW/Bp型变频空调器室内机控制电路(续)
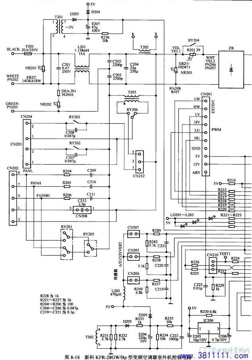
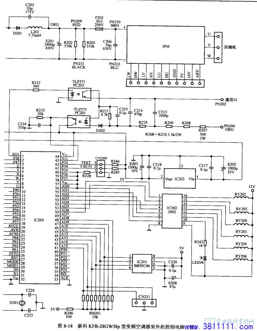
三、新科KFR-28GW/Bp型变频空调器室外机控制电路
评论
|门户地图|手机版|小黑屋|家电维修论坛 ( 蜀ICP备14030498号 )
GMT+8, 2026-3-13 20:41
Powered by Discuz! X3.4
Copyright © 2001-2021, Tencent Cloud.