只需一步,快速开始
手机号码,快捷登录
2021-6-16 08:37| 发布者: 维修迷| 查看: 166| 评论: 0
一、海尔KFR-25GW×2/Bp型一拖二变频空调室内机控制电路
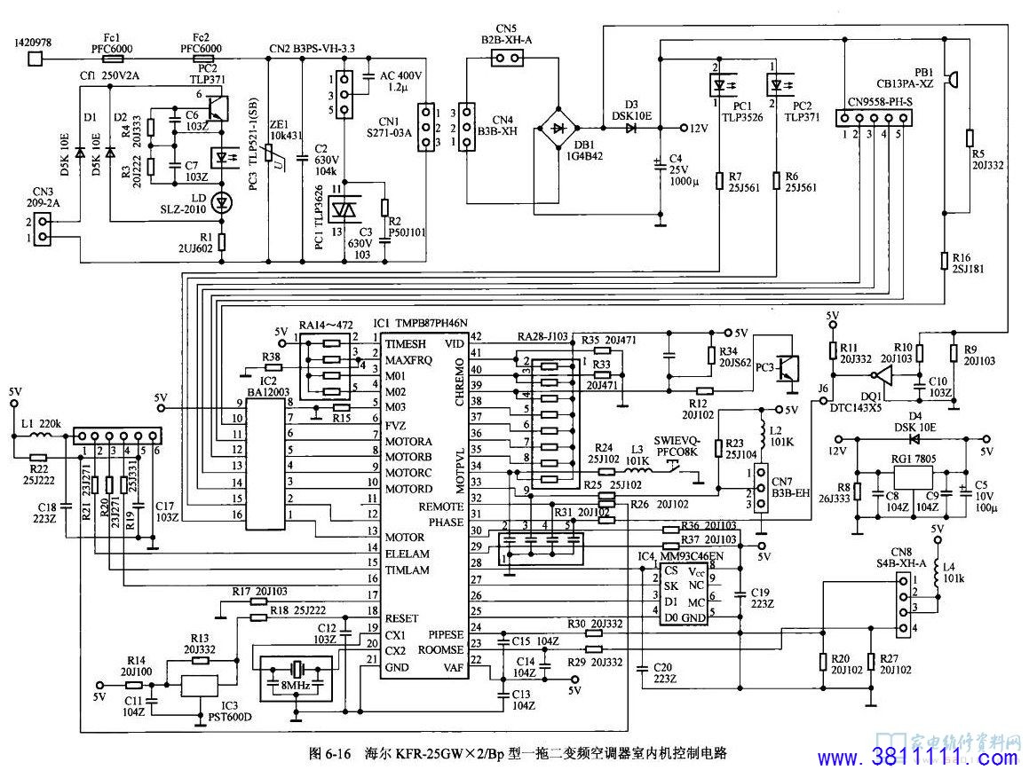
二、海尔KFR-25GW×2/Bp型一拖二变频空调室外机控制电路
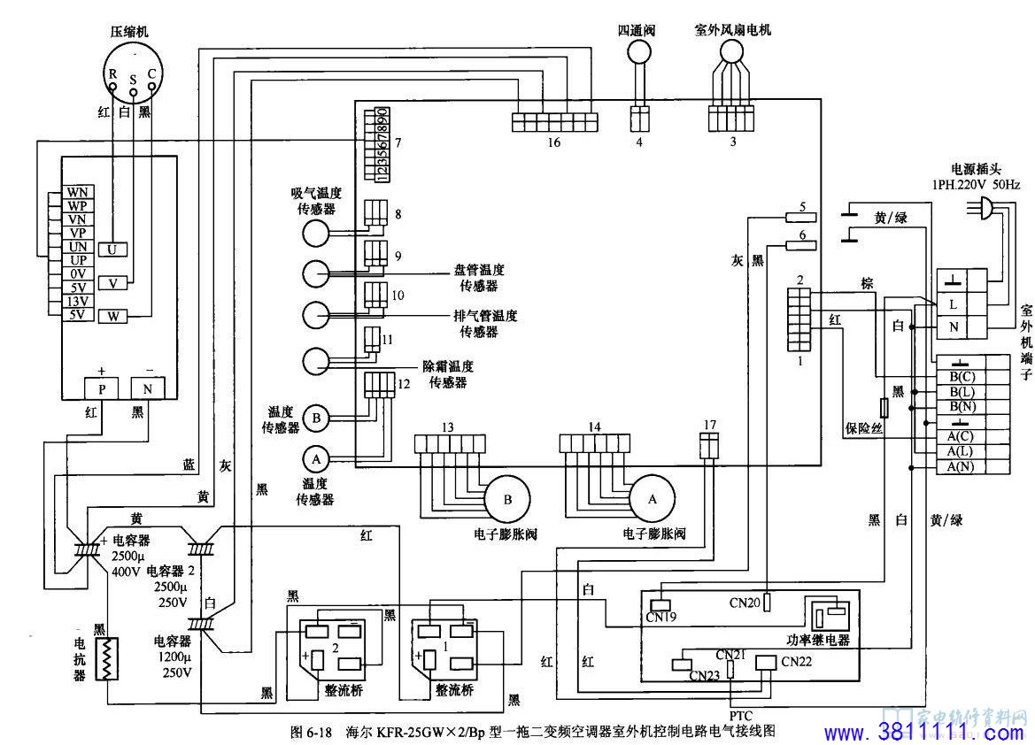
三、海尔KFR-25GW×2/Bp型一拖二变频空调室外机控制电路电气接线图
评论
|门户地图|手机版|小黑屋|家电维修论坛 ( 蜀ICP备14030498号 )
GMT+8, 2026-3-13 20:38
Powered by Discuz! X3.4
Copyright © 2001-2021, Tencent Cloud.