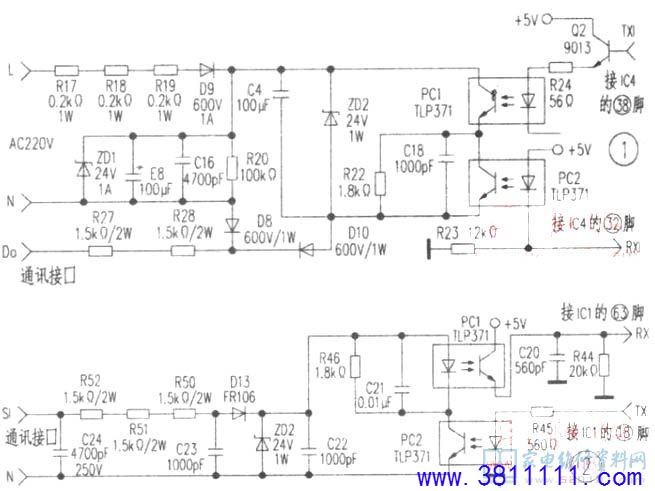
分析与检修:查该机型故障代码含义得知,属通讯不良。先用万用表直流电压挡测量室外机接线端子②脚(N)和④脚(S1)间无(约为40V的)脉动电压,后测量室内机通讯电路+5V电源正常,再测+24V电源为0V,说明+24V电源有故障。接着在断电的情况下用万用表电阻挡检查+24V电路元件,发现电阻R19已开路,用同规格的更换,重新通电开机,检测+24V电源恢复正常,故障排除。

故障现象:通电操作开机,室内风机运转一会儿即停机,红灯闪亮。分析与检修:查该机型故障代码含义得知,属通讯不良。先用万用表直流电压挡测量室外机接线端子②脚(N)和④脚(S1)间无(约为40V的)脉动电压,后测量室内机通讯电路+5V电源正常,再测+24V电源为0V,说明+24V电源有故障。接着在断电的情况下用万用表电阻挡检查+24V电路元件,发现电阻R19已开路,用同规格的更换,重新通电开机,检测+24V电源恢复正常,故障排除。
|